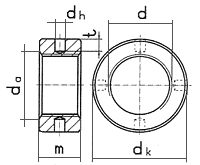
Din 548 Гайка Круглая С Радиальными Отверстиями

Стандарт DIN 548
Описание: DIN 548 Гайка круглая с радиальными отверстиями.
Материалы:
- Сталь
- Сталь с покрытием: гальваническая оцинковка
- Нержавеющая сталь: А2, А4
- Цветные металлы, сплавы: латунь.
| d | М4 | M5 | M6 | M8 | M10 |
| dh мин. | 1.5 | 2 | 2.5 | 3 | 3.5 |
| dk макс. | 10 | 12 | 14 | 18 | 22 |
| m макс. | 3.5 | 4.2 | 5 | 6.5 | 8 |
Вы можете заказать и купить круглые гайки DIN 548, метизы, крепёж, крепёжные изделия оптом по низким ценам в компании СФЕРА НН.