Din 1481 Штифт Пружинный Цилиндрический

Стандарт DIN 1481 соответствует ГОСТ 14229-93, ISO 8752.
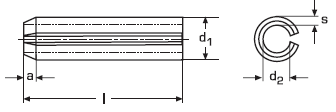
Описание: DIN 1481 Штифт пружинный цилиндрический, разрезной, трубчатый с фаской, тяжелое исполнение, форма А.
Материалы:
- Сталь пружинная
- Сталь с покрытием: оксидирование
- Нержавеющая сталь: А2, А4.
| a мин.* | 0.15 | 0.25 | 0.35 | 0.4 | 0.5 | 0.6 | 0.65 | 0.8 | 0.9 | 1.2 | 2 | 2 | 2 | 
| d1 мин.* | 1.2 | 1.7 | 2.3 | 2.8 | 3.3 | 3.8 | 4.4 | 4.9 | 5.4 | 6.4 | 8.5 | 10.5 | 12.5 | 
| d2* | 0.8 | 1.1 | 1.5 | 1.8 | 2.1 | 2.3 | 2.8 | 2.9 | 3.4 | 4 | 5.5 | 6.5 | 7.5 | 
| s | 0.2 | 0.3 | 0.4 | 0.5 | 0.6 | 0.75 | 0.8 | 1 | 1 | 1.2 | 1.5 | 2 | 2.5 | 
| l | d1 | ||||||||||||
| 1 | 1.5 | 2 | 2.5 | 3 | 3.5 | 4 | 4.5 | 5 | 6 | 8 | 10 | 12 | |
| 4 | + | + | + | + | + | + | + | ||||||
| 5 | + | + | + | + | + | + | + | ||||||
| 6 | + | + | + | + | + | + | + | + | + | ||||
| 8 | + | + | + | + | + | + | + | + | + | ||||
| 10 | + | + | + | + | + | + | + | + | + | + | |||
| 12 | + | + | + | + | + | + | + | + | + | + | + | ||
| 14 | + | + | + | + | + | + | + | + | + | + | + | ||
| 16 | + | + | + | + | + | + | + | + | + | + | + | + | |
| 18 | + | + | + | + | + | + | + | + | + | + | + | ||
| 20 | + | + | + | + | + | + | + | + | + | + | + | + | |
| 22 | + | + | + | + | + | + | + | + | + | ||||
| 24 | + | + | + | + | + | + | + | + | + | ||||
| 26 | + | + | + | + | + | + | + | + | + | + | |||
| 28 | + | + | + | + | + | + | + | + | + | ||||
| 30 | + | + | + | + | + | + | + | + | + | + | |||
| 32 | + | + | + | + | + | + | + | + | |||||
| 35 | + | + | |||||||||||
| 36 | + | + | + | + | + | + | + | ||||||
| 40 | + | + | + | + | + | + | + | + | + | ||||
| 45 | + | + | + | + | + | + | |||||||
| 50 | + | + | + | + | + | + | + | ||||||
| 55 | + | + | + | + | |||||||||
| 60 | + | + | + | + | + | ||||||||
| 65 | + | + | + | + | |||||||||
| 70 | + | + | + | + | + | ||||||||
| 75 | + | + | + | + | |||||||||
| 80 | + | + | + | + | |||||||||
| 90 | + | + | |||||||||||
| 100 | + | ||||||||||||
| 1 | 1.5 | 2 | 2.5 | 3 | 3.5 | 4 | 4.5 | 5 | 6 | 8 | 10 | 12 | |
* = перед монтажом
Вы можете заказать и купить штифты, шплинты, крепёж, метизы, крепёжные изделия оптом по низким ценам в компании СФЕРА НН.
 
        