Din 186 Болт К Пазам Станочным

DIN 186 Болт к пазам станочным с прямоугольной Т-образной головкой и квадратным подголовком, неполная метрическая резьба от М6 до М24, длина от 30 до 200 мм.
Материалы болтов к пазам станочным:
- Сталь: 4.6 (класс прочности для болтов)
- Сталь с покрытием: гальваническая оцинковка, термодиффузионное оцинкование
- Нержавеющая сталь: А2, А4.
| P | 1 | 1,25 | 1,5 | 1,75 | 2 | 2,5 | 3 |
| k | 4,5 | 5.5 | 7 | 8 | 10.5 | 13 | 15 |
| n | 6 | 8 | 10 | 12 | 16 | 20 | 24 |
| m | 16 | 18 | 21 | 26 | 30 | 36 | 43 |
| b1 | 18 | 22 | 26 | 30 | 38 | 46 | 54 |
| b2 | - | - | - | - | 44 | 52 | 60 |
| d | |||||||
| M6 | M8 | M10 | M12 | M16 | M20 | M24 | |
| l | Вес болтов, 1000 шт. в килограммах | ||||||
| 30 | 9,9 | 18,2 | 30 | ||||
| 40 | 12,1 | 20,2 | 35 | 55,1 | |||
| 50 | 14,3 | 24,2 | 40,6 | 62,3 | 117 | ||
| 60 | 16,5 | 28,2 | 46,8 | 71,1 | 130 | 220 | |
| 70 | 32,2 | 53 | 78,9 | 145 | 240 | 377 | |
| 80 | 36,2 | 59,2 | 88,7 | 161 | 262 | 407 | |
| 90 | 65,4 | 97,6 | 177 | 287 | 437 | ||
| 100 | 71,6 | 106 | 193 | 302 | 467 | ||
| 120 | 124 | 225 | 351 | 538 | |||
| 140 | 257 | 401 | 618 | ||||
| 160 | 289 | 450 | 689 | ||||
| 180 | 500 | 760 | |||||
| 200 | 550 | 831 | |||||
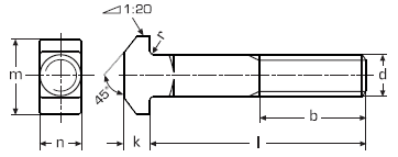
Обозначения:
d - номинальный диаметр резьбы
P - шаг резьбы
k - высота головки
n - диаметр окружности, вписанной в головку болта
m - ширина головки
b1 - длина резьбы для l ≤ 120 мм
b2 - длина резьбы для 120 < l ≤ 200 мм
l - длина стержня болта
Аналоги DIN 186:
DIN 188 Болты с прямоугольной Т-образной головкой и усиком.
DIN 261 Т-болт с T-образной головкой.
ГОСТ 13152-67 Болты к пазам станочным обработанным.
Вы можете заказать и купить DIN 186 болты к пазам станочным с квадратным подголовком по оптовым ценам в компании СФЕРА НН.