Din 609 Болт Стяжной Призонный С Длинной Резьбовой Цапфой

Стандарт DIN 609 аналог DIN 610 болт стяжной призонный с короткой резьбовой цапфой.
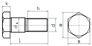
Описание крепежа: DIN 609 Болт стяжной призонный с длинной резьбовой цапфой и шестигранной головкой, мелкая и крупная метрическая резьба от М10 до М42, длина от 25 до 200 мм.
Материалы:
- Сталь: 5.6, 8.8 (класс прочности для болтов)
- Нержавеющая сталь: А2, А4
| d | М8 | М10 | М12 | М14 | М16 | М18 | М20 | М22 | М24 | М27 | М30 | М36 | М42 | |
|---|---|---|---|---|---|---|---|---|---|---|---|---|---|---|
| p | 1 | 1 | 1,5 | 1,5 | 1,5 | 1,5 | 1,5 | 1,5 | 1,5 | 2 | 2 | 3 | 3 | |
| 1,25 | 1,25 | 2 | 2 | 2 | 2 | |||||||||
| k | 5,3 | 6,4 | 7,5 | 8,8 | 10 | 11,5 | 12,5 | 14 | 15 | 17 | 19 | 22 | 26 | |
| ds | 9 | 11 | 13 | 15 | 17 | 19 | 21 | 23 | 25 | 28 | 32 | 38 | 44 | |
| e | 14,38 | 17,77 | 19,85 | 22,78 | 26,17 | 29,56 | 32,95 | 37,29 | 39,55 | 45,2 | 50,85 | 60,79 | 71,30 | |
| s | 13 | 16 | 18 | 21 | 24 | 27 | 30 | 34 | 36 | 41 | 46 | 55 | 65 | |
| b | l ≤ 50 | 14,5 | 17,5 | 20,5 | 22 | 25 | 27,5 | 28,5 | 32,5 | - | - | - | - | - |
| 50 < l ≤ 150 | 16,5 | 19,5 | 22,5 | 24 | 27 | 29,5 | 30,5 | 34,5 | 36,5 | 39,5 | 43 | 49 | 56 | |
| l > 150 | - | - | - | - | - | - | 35,5 | 39,5 | 41,5 | 44,5 | 48 | 54 | 61 | |
Обозначения:
d - номинальный диаметр резьбы
p - шаг резьбы
k - высота шестигранной головки
ds - диаметр стержня
e - диаметр описанной окружности, не менее
s - размер под ключ
b - длина резьбы
l - длина болта
Другие размеры крепежа и материалы по заказу.
Вы можете заказать и купить болты DIN 609, гайки, крепёж, метизы, крепёжные изделия оптом по низким ценам в компании СФЕРА НН.