Гост 5915-70 Гайка Шестигранная Класс Точности В

Стандарт ГОСТ 5915-70 аналог ГОСТ 5927-70, ГОСТ 15526-70, DIN 934, DIN 555, ISO 4032, ISO 4033, ISO 8673, ISO 8674.
Гайка ГОСТ 5915-70, шестигранная стальная, класс точности В, диаметр резьбы от М1,6 до М48 мм. Гайки ГОСТ 5915-70 используются для соединения и крепления деталей и конструкций вместе с болтами и шайбами подходящих размеров.
Материалы:
- Сталь: 5, 6, 8, 10, 12 (класс прочности для гаек)
- Сталь с покрытием: гальваническая оцинковка, термодиффузионное цинкование, гальваническое никелирование, хромирование, воронение
- Нержавеющая сталь: А1-А5, А2/А4-70, А2/А4-80
- Цветные металлы, сплавы, пластик: латунь, алюминий, пластик.
| d | М4 | М5 | M6 | M8 | M10 | M12 | М14 | M16 | М18 | M20 | М22 | M24 | М27 | M30 | M36 | М42 | М48 | |
|---|---|---|---|---|---|---|---|---|---|---|---|---|---|---|---|---|---|---|
| P | крупный | 0,7 | 0,8 | 1 | 1,25 | 1,5 | 1,75 | 2 | 2 | 2,5 | 2,5 | 2,5 | 3 | 3 | 3,5 | 4 | 4,5 | 5 |
| мелкий | - | - | - | 1 | 1,25 | 1,25 | 1,5 | 1,5 | 1,5 | 1,5 | 1,5 | 2 | 2 | 2 | 3 | 3 | 3 | |
| da | мин. | 4 | 5 | 6 | 8 | 10 | 12 | 14 | 16 | 18 | 20 | 22 | 24 | 27 | 30 | 36 | 42 | 48 |
| макс. | 4,6 | 5,75 | 6,75 | 8,75 | 10,8 | 13 | 15,1 | 17,3 | 19,4 | 21,6 | 23,8 | 25,9 | 29,2 | 32,4 | 38,9 | 45,4 | 51,8 | |
| m | 3,2 | 4,7 | 5,2 | 6,8 | 8,4 | 10,8 | 12,8 | 14,8 | 16,4 | 18 | 19,8 | 21,5 | 23,6 | 25,6 | 31 | 34 | 38 | |
| e | 7,5 | 8,6 | 10,9 | 14,2 | 17,6 | 19,9 | 22,8 | 26,2 | 29,6 | 33 | 37,3 | 39,6 | 45,2 | 50,9 | 60,8 | 71,3 | 82,6 | |
| 18,7 | 20,9 | 23,9 | 35 | |||||||||||||||
| dw | 6,3 | 7,2 | 9 | 11,7 | 14,5 | 16,5 | 19,2 | 22 | 24,8 | 27,7 | 31,4 | 33,2 | 38 | 42,7 | 51,1 | 59,9 | 69,4 | |
| 15,5 | 17,2 | 20,1 | 29,5 | |||||||||||||||
| S | 7 | 8 | 10 | 13 | 16 | 18 | 21 | 24 | 27 | 30 | 34 | 36 | 41 | 46 | 55 | 65 | 75 | |
| 17 | 19 | 22 | 32 | |||||||||||||||
| N | 0,8 | 1,44 | 2,573 | 5,548 | 10,22 | 15,67 | 25,33 | 37,61 | 53,27 | 71,44 | 103,2 | 122,9 | 175,3 | 242,5 | 416,8 | 623,9 | 956,2 | |
| 12,06 | 18,4 | 28,91 | 85,67 | |||||||||||||||
Обозначения:
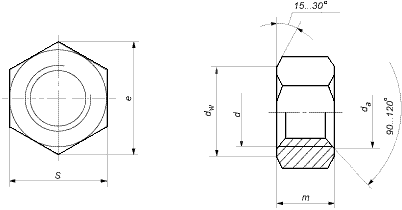
d - номинальный диаметр резьбы
P - шаг резьбы
da - внутренний диаметр
m - высота гайки
e - диаметр описанной окружности, не менее
dw - наружный диаметр, не менее
S - размер под ключ
N - вес 1000 шт. гаек, кг
Вы можете заказать и купить оцинкованные стальные шестигранные гайки ГОСТ 5915-70, болты, шайбы, винты оптом по низким ценам в компании СФЕРА НН.