Гост 7786-81 Болт Лемешный С Потайной Головкой И Квадратным Подголовком
Сортировать:
Болты с потайной головкой и квадратным подголовком , ГОСТ 7786-81

Стандарт ГОСТ 7786-81 аналог DIN 608
Описание крепежа: ГОСТ 7786-81 Болт с потайной головкой и квадратным подголовком, класс точности С, размер метрической резьбы от М5 до М20, длина от 20 до 200 мм. Болт лемешный оцинкованный ГОСТ 7786-81 применяется для крепления навесного оборудования на сельскохозяйственной технике.
Материалы:
- Сталь: 3.6, 4.6, 4.8, 5.6, 5.8, 8.8 (класс прочности для болтов)
- Сталь с покрытием: гальваническая оцинковка
- Марки стали: 20Г2Р, 10кп, 20кп.
| P | 0,8 | 1 | 1,25 | 1,5 | 1,75 | 2 | 2,5 | |
| D | 9 | 11 | 14 | 18 | 23 | 28 | 35 | |
| k | 4 | 5 | 6 | 8 | 10 | 12 | 15 | |
| V | 5 | 6 | 8 | 10 | 12 | 16 | 20 | |
| b | l≤120 | 16 | 18 | 22 | 26 | 30 | 38 | 46 |
| l>120 | - | - | - | 32 | 36 | 44 | 52 | |
| l | d | |||||||
| M5 | M6 | M8 | M10 | M12 | M16 | M20 | ||
| 20 | + | |||||||
| 25 | + | + | + | + | ||||
| 30 | + | + | + | + | + | |||
| 35 | + | + | + | + | + | |||
| 40 | + | + | + | + | + | + | ||
| 45 | + | + | + | + | + | + | ||
| 50 | + | + | + | + | + | + | + | |
| 55 | + | + | + | + | + | + | + | |
| 60 | + | + | + | + | + | + | + | |
| 65 | + | + | + | + | + | + | + | |
| 70 | + | + | + | + | + | + | + | |
| 75 | + | + | + | + | + | + | + | |
| 80 | + | + | + | + | + | + | + | |
| 90 | + | + | + | + | + | + | ||
| 100 | + | + | + | + | + | |||
| 110 | + | + | + | + | ||||
| 120 | + | + | + | + | ||||
| 130 | + | + | + | + | ||||
| 140 | + | + | + | + | ||||
| 150 | + | + | + | + | ||||
| 160 | + | + | + | |||||
| 170 | + | + | + | |||||
| 180 | + | + | + | |||||
| 190 | + | + | + | |||||
| 200 | + | + | + | |||||
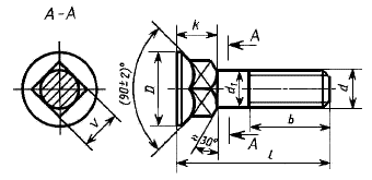
Обозначения:
d - номинальный диаметр резьбы
d1- диаметр стержня, примерно равен среднему диаметру резьбы или номинальному диаметру резьбы
P - шаг резьбы - крупный
D - диаметр головки
k - высота головки и подголовка
b - длина резьбы
l - длина болта
Другие размеры крепежа и материалы по заказу.
Вы можете заказать и купить болты ГОСТ 7786-81, крепёж, метизы, крепёжные изделия оптом по низким ценам в компании СФЕРА НН.